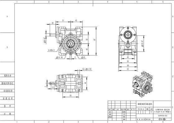
哪里可以找到帶手搖的減速機,按照設備傳動要求,客戶需要找一款帶手搖功能的減速機,你看艾思捷這款SJMRV030的型號減速機。
手搖就是可以用手動操作來達到減速機在設備上的運行速度狀態,如下圖所示是帶尾軸的。
艾思捷蝸輪減速機廣泛應用于裝備行業、食品行業、自動洗車行業、包裝行業、傳輸行業、自動化行業、太陽能行業等等。產品深受客戶的歡迎與信賴。
重點:艾思捷專注定制行業生產,針對產品的實際工況,出項目解決方案,選型合適的減速機,提高使用效率。詳情咨詢了解請聯系我司專業
客戶經理:尹女士132 6284 6677.


